Soutenance de thèse de Dahlia SAAD – le 05/12/2025 – Que se passe-t-il à l’échelle nanométrique à l’interface liquide/solide ? Implémentation d’un Microscope à Force Atomique pour l’imagerie 3D-AFM de l’interface liquide/solide
Composition du jury proposé :
- Mme Magali PHANER-GOUTORBE - Ecole Centrale de Lyon - Directrice de thèse
- M. Frédéric DUBREUIL - Ecole Centrale de Lyon - Co-directeur de thèse
- M. Philippe LECLERE - Université de Mons - Rapporteur
- Mme Anne Chantal GOUGETLAEMMEL - Ecole Polytechnique - Examinatrice
- Mme Florence MARCHI - Université Grenoble Alpes - Rapporteure
- Mme Audrey STEINBERGER - École normale supérieure de Lyon - Invitée
Résumé
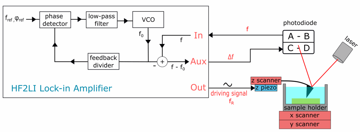
La compréhension des interfaces solide–liquide et polymère–liquide est d’une grande importance en raison de leur rôle dans des applications comme la catalyse, lubrification, développement des biocapteurs et l’anti-encrassement. Dans ce travail, des surfaces inorganiques de référence (silicium, mica et or ultraplat), ainsi que des substrats d’or modifiés par des polymères, ont été étudiés à l’aide de la microscopie à force atomique (AFM) en modes spectroscopie de force unidimensionnelle (1D-AFM) et tridimensionnelle (3D-AFM). Ce dernier n’existe encore qu’en tant qu’implémentation de laboratoire en cours de développement et n’est pas encore commercialisé. La spectroscopie de force avec des pointes AFM à rayon nanométrique a permis de détecter les forces d’hydratation à l’interface solide–liquide. À pH acide (pH 5.5), la couche d’hydratation est déstabilisée par les ions hydroniums H3O+, ce qui conduit à des interactions dominées par l’attraction de van-der-Waals. À pH plus élevé, en particulier dans le tampon PBS (pH 7.4), une répulsion plus marquée a été observée en raison de la présence d’ions potassium K⁺ fortement hydratés, qui stabilisent la couche d’hydratation. Les brosses polymériques greffées sur l’or ont ensuite été étudiées individuellement. Pour l’acide polyacrylique (PAA), un polyélectrolyte faible, la conformation des chaînes dépend fortement du pH et de la force ionique : conformations effondrées de type "champignon" à pH acide, conformations étendues de type "brosse" à pH basique, puis gonflement initial (à 0.02M) suivi d’un effondrement au-delà de 0.1M de sel. En revanche, le poly(oxyde d’éthylène) (PEO), un polymère neutre, n’a montré aucun changement structurel significatif en fonction du pH ou de la concentration saline. Les systèmes mixtes PAA/PEO ont également été analysés à l’aide d’un outil de visualisation basé sur les réseaux de neurones, révélant deux comportements distincts dans les cartes de couleurs obtenues. Afin de décrire quantitativement les mesures, une procédure d’ajustement a été développée pour modéliser les courbes de force. Les premiers résultats montrent que le modèle est applicable en l’absence d’attraction de van-der-Waals, puisqu’aucune expression n’est actuellement disponible pour une pointe AFM de forme pyramidale. Toutefois, des améliorations restent nécessaires afin de reproduire fidèlement l’ensemble des interactions observées. Enfin, la 3D-AFM a été employée pour visualiser les structures d’hydratation et les brosses polymériques aux interfaces. Les premiers résultats ont permis de révéler les couches d’hydratation sur les surfaces solides, apportant des informations complémentaires aux données de 1D-AFM. En revanche, sur les surfaces recouvertes de polymères, la sensibilité actuelle n’a pas encore permis de distinguer clairement les brosses polymériques, bien que cela reste favorable en comparaison avec la seule autre étude menée sur des surfaces similaires. Néanmoins, la 3D-AFM montre un fort potentiel et devrait, grâce à de futurs développements, offrir une meilleure sensibilité et un champ d’application élargi aux systèmes à base de brosses polymériques.Abstract
Understanding solid/polymer brush/liquid interfaces is of great importance due to their relevance in applications ranging from catalysis and lubrication to biosensing and antifouling. In this work, inorganic reference surfaces (silicon, mica, and ultra-flat gold) as well as polymer-modified gold substrates were investigated using Atomic Force Microscopy (AFM) in both one-dimensional force spectroscopy (1D-AFM) and three-dimensional (3D-AFM) modes. The latter exists only as a laboratory implementation under development and is not yet commercialized. Force spectroscopy with sharp AFM tips enabled the detection of hydration forces at the solid/liquid interface. At low pH (pH 5.5), the hydration layer was destabilized by hydronium H3O+ ions, resulting in interactions dominated by van-der-Waals attraction see on all the inorganic surfaces. At higher pH (pH 7.4), particularly in phosphate-buffered saline (PBS), stronger repulsion was observed due to the presence of strongly hydrated potassium K⁺ ions, which stabilized the hydration layer. The addition of a salt to the solution, also added strongly hydrated sodium Na+ which enhanced the hydration repulsion masking the attraction forces completely. Polymer brushes grafted on gold were then studied individually. For poly(acrylic acid) (PAA), a weak polyelectrolyte, the chain conformation was found to depend strongly on pH and ionic strength: collapsed “mushroom” conformations at low pH, extended “brush” conformations at high pH, and initial swelling at moderate salt concentration (0.02M) followed by collapse at salt concentrations above 0.1M. In contrast, poly(ethylene oxide) (PEO), a neutral polymer, showed no measurable structural changes with varying pH or salt concentration. Mixed PAA/PEO systems were also investigated using a neural-network-based visualization approach, which revealed distinct patterns associated with the two polymer components in the generated color maps. To quantitatively describe the measurements, a fitting procedure was developed to model the force curves. Preliminary results demonstrate applicability in the absence of van-der-Waals attraction, since no expression is currently available for the contribution of a pyramidal AFM tip shape. However, further refinements are required to fully capture the observed interactions. Finally, 3D-AFM was employed to visualize interfacial hydration structures and polymer brushes. The first results successfully revealed hydration layers at solid surfaces, providing complementary information to 1D-AFM data. On polymer-coated surfaces, however, the current implementation was not yet sensitive enough to resolve the polymer brushes although this still compares favorably with the only other research conducted on similar polymer-coated surfaces. Nevertheless, 3D-AFM demonstrates strong potential, and future developments are expected to enhance its sensitivity and broaden its applicability to polymer brush systems. Mots clés : Microscope à force atomique, interface solide/liquide, spectroscopie de force, 1D-AFM, 3D-AFM, brosses de polymères, couches d’hydratation, force d’hydratation Keywords: Atomic force microscopy, solid/liquid interface, force spectroscopy, 1D-AFM, 3D-AFM, polymer brushes, hydration layer, hydration forces
Date de publication : 01/12/2025
Dernières
Actualités
Soutenances de thèse Soutenance de thèse de Hayat SALEH le 17/12/2025 : Analyse multi-échelle d’un élément de paroi biosourcé mécaniquement renforcé
Lire l'article
Soutenances de thèse Soutenance de thèse de Benjamin LEGRAND le 11/12/2025 : Reproduction en environnement virtuel de scènes urbaines nocturnes
Lire l'article
Soutenances de thèse Soutenance de thèse de Giorgia FOSCHI le 12/01/2026 : Etude expérimentale et analyse des joints labyrinthes dans les moteurs spatiaux
Lire l'article
Soutenances de thèse Soutenance de thèse de Garance LIABOEUF le 26/01/2026 : Évolution de l’adhérence de revêtements routiers en fonction de facteurs environnementaux
Lire l'article
Actualités Exceptional Mechanical Tension and Elasticity of the Spide Web
Lire l'article
Soutenances de thèse 



